Hem / Produkt / TRYCK / SDPB intelligent enkristall kisel differentialtryck-trycksändare
Om oss

Ningbo Qingyang Automation Technology Co., Ltd.

Yuyao Huangong Automation Instruments Factory

Grundades 2000, specialiserat på industriella automationsprodukter. Efter år av utveckling, har utvecklat en serie stabila och pålitliga, prisvärda, lämplig för alla typer av industriell automationsmätning och tryckkontroll sändare, temperatursändare och nivågivare.

  • 20+

    Års erfarenhet

  • 1000+ �O

    Företagsområde

  • 200+

    Gruppmedlemmar

  • 30+

    Exportland

Ära

  • honor
  • honor
  • honor
  • honor
  • honor
  • honor
  • honor
  • honor
Nyhetscenter
Branschkunskapsutvidgning av denna kategori
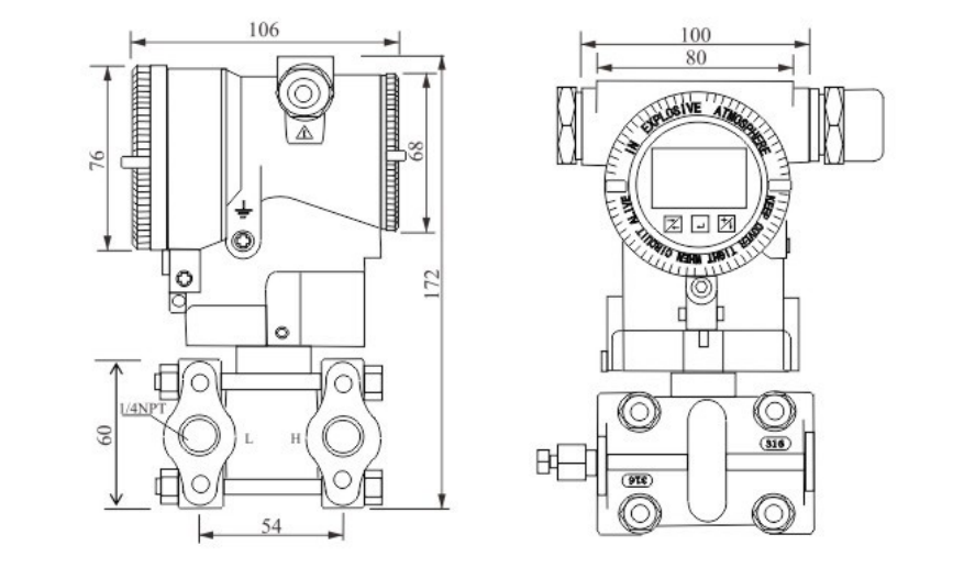
Vad är SDPB intelligent enkristallkisel differentialtryck-trycksändare
SDPB står för "Silicon Differential Pressure-Pressure Transmitter with Single Crystal Diaphragm and Intelligent Compensation." Det är en typ av tryckgivare som är designad för att mäta differenstryck (skillnaden mellan två tryckpunkter) i olika industriella tillämpningar.
Den viktigaste egenskapen hos SDPB är dess användning av ett enkristallkiselmembran. Membranet är ett tunt, flexibelt membran som separerar två tryckkammare i transmittern. När tryckskillnaden över membranet ändras, avböjs den, vilket skapar en proportionell förändring i den elektriska uteffekten från sändaren.
Användningen av enkristallkisel möjliggör hög noggrannhet och stabilitet över ett brett område av temperaturer och tryck. Dessutom hjälper den intelligenta kompensationsfunktionen hos sändaren att ta hänsyn till förändringar i temperatur och andra miljöfaktorer som kan påverka noggrannheten i tryckmätningen.
Användning av SDPB intelligent enkristallkisel differentialtryck-trycksändare
De SDPB intelligent enkristall kisel differentialtryck-trycksändare används ofta i olika industriella applikationer där noggrann och tillförlitlig tryckmätning krävs. Några av de vanligaste användningsområdena för SDPB-sändare inkluderar:
1. Olje- och gasbearbetning: SDPB-sändare används för att mäta differenstryck i olje- och gasledningar, raffinaderier och andra bearbetningsanläggningar. Detta gör att operatörerna kan övervaka flödet av vätskor och gaser genom systemet och se till att allt fungerar smidigt.
2.Kemisk bearbetning: I kemiska bearbetningsanläggningar används SDPB-sändare för att övervaka och kontrollera trycket i reaktionskärl, destillationskolonner och annan kritisk utrustning. Detta hjälper till att säkerställa att de kemiska reaktionerna går smidigt och att produktkvaliteten är konsekvent.
3. HVAC-system: SDPB-sändare används för att mäta differenstryck i värme-, ventilations- och luftkonditioneringssystem (HVAC). Detta gör att fastighetsförvaltare kan upprätthålla en bekväm och hälsosam inomhusmiljö för de boende.
Fördelar med SDPB intelligent enkristall kisel differentialtryck-trycktransmitter
De SDPB intelligent enkristall kisel differentialtryck-trycksändare erbjuder flera fördelar jämfört med andra typer av tryckgivare, inklusive:
1.Hög noggrannhet: Användningen av ett enkristallkiselmembran möjliggör mycket hög noggrannhet vid tryckmätning, med typiska noggrannheter på upp till 0,1 % av full skala. Denna noggrannhetsnivå gör SDPB-sändaren lämplig för användning i applikationer där exakt tryckmätning är kritisk.
2.Brett område: SDPB-sändare kan mäta tryckskillnader över ett brett område, vanligtvis upp till 10 000 psi. Detta gör dem lämpliga för användning i en mängd olika industriella applikationer, från lågtrycksapplikationer såsom HVAC-system till högtrycksapplikationer såsom olje- och gasbearbetning.
3.Hög stabilitet: Enkristallkiselmembranet ger utmärkt långsiktig stabilitet, även i tuffa miljöer. Detta gör att sändaren kan bibehålla sin noggrannhet och tillförlitlighet över tid, utan behov av frekvent omkalibrering.

Contact Us

*We respect your confidentiality and all information are protected.